宜信同城网交流论坛

 找回密码
 立即注册
开启左侧

刷脸开门,海康智脑NVR无感开门方案来啦~

[复制链接]
发表于 2023-2-19 17:47:19 | 显示全部楼层 |阅读模式 来自 LAN

本文以需要实现人脸开门场景为出发点,助力解决快速无感刷脸开门效果,并可以通过后端智脑系列NVR界面可实时预览及快速回查。



实施方案

前端海康威视渠道人脸抓拍摄像机(DS-2CD3XX6A2/F-IZS系列),实现图像的高清采集以及人脸的准确抓拍。

海康威视人脸智脑系列NVR(iDS-7900NX-K4/FA系列)实现人脸比对,比对结果通过ALARM OUT 报警接口输出一个常开的开关量信号,接入到门禁主机(DS-K2800系列)中,当智脑系列NVR比对成功输出一个报警信号时,回路闭合触发报警,门禁系统执行设定好的开门动作。

2d44854dfa7d84b3626588a1993b929e.png

图-1 方案拓扑示意图



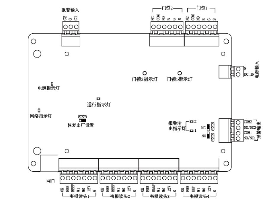
门禁主机接线与设置


阳极锁的接线

12V电源适配器“+”极连接门禁主机门锁控制器DOOR的COM口,NC与磁力锁/阳极锁的正极连接,12V电源适配器“-”极与磁力锁/阳极锁的负极相连即可。

e4809d439fb04551d65ffb473047b721.png

图-2 门锁连接示意图


cd6bd67da6b89f56a91004e737a198e9.jpg

11fad66b43f2799eb4ea0330dc0a1d79.jpg

图-3 门锁实际接线图


报警输入模块接线

在报警输入模块,C1和G代表一对报警输入接口,将海康威视智脑系列NVR的报警输出信号(ALARM OUT)接入到C1和G,或者C2和G中即可,不用区分正负极。

f68bcca0018417d31edc0bfa207456c6.jpg

图-4 报警输入接线示意图


a22200c4b2279bc32e622afd1bc4fac7.jpg

图-5 报警输入模块实际接线图


ivms-4200客户端设置

将门禁主机添加入4200平台,通过ivms-4200客户端访问门禁主机,在客户端首页,选择门禁向导-权限组,在访问控制中,选择联动配置,事件源选择事件报警输入,联动目标选择门禁点,门禁点联动状态选择打开。

cd9cd768ed137f341816f7455ab36a84.jpg

4d7d110864d976cc3aebbe0f4d8dcf9a.jpg

图-6 4200客户端报警联动配置


智脑系列NVR的接线与设置
智脑系列NVR的接线

将海康威视智脑系列NVR的报警输出信号(ALARM OUT)接入到C1和G,不用区分正负极。

68fd40ce78f7cb5257f1d46cedcf2a0c.jpg


智脑系列NVR的配置

在智脑系列NVR本地【系统设置】->【事件配置】->【Smart事件】->【人脸比对】中选择人脸比对模式为“人脸比对”,选择需要开门的人脸库,在联动方式中选择与实际接线对应的报警输出接口。

df8e36bdcc45756b2b065f5380dc8c0a.png
e2794c4b35abea4ea59b74decee78c26.jpg


【系统配置】->【事件配置】->【普通事件】->【报警输出】配置布防时间,“延时”可调整开关量信号的持续时间,最短可设置5秒,【手动报警】功能按钮可供测试时使用。

94c3e39fc315665026f7fff5885614df.jpg


产品清单


c304db5244f5950a8d61ad158ecc55c1.png

其他辅材:摄像机电源、电源线、支架、立杆、2芯信号线等。


方案优势

方案简便易用,应用场景广泛

由智能人脸抓拍摄像机、智脑系列NVR、门禁主机组成,施工周期短,方案成本合理,除了对接门锁外,还可以部署在公寓、宿舍、学校、公司园区等出入口,用于老旧人员通道的改造。

快速人员回查,记录有处可查

人脸抓拍摄像机接入海康威视智脑系列NVR,在预览界面左侧实时弹出画面,可以实现以脸搜脸、以姓名搜脸等多种搜索方式,实现快速回查,开门记录还可以通过4200客户端进行快速查询。


0b9a68e76ed598a9362fbfd4940872da.png


e2b5025a5fe53d6584ee473563241364.png

康康视频讲堂

本期主题

录像机的几种校时方法

0f50a99e5d5a7a390110a39d55275fca.jpg

识别二维码进入直播间

cf5bd8d8c6ac25172276f7696a69ba20.jpg

直播时间:

11月27(今晚) 19:00

海康小姐姐温馨提示您:康康视频讲堂周三晚上19:00准时开课哟~

宜信网交流论坛 - 版权声明 1、在发表言论时,请遵守当地法律法规。主题所有言论纯属个人意见,与本站立场无关。
2、本站所有主题由作者发表,作者享有帖子相关版权,其他单位或个人使用、转载或引用本文时必须征得作者同意并注明来源于宜信网
3、如本帖侵犯到任何版权问题,请立即告知本站,本站将及时予与删除并致以最深的歉意。
4、帖子不遵守当地法律法规、广告、人身攻击等情况时,宜信网管理人员有权不事先通知发贴者而删除本文。
您需要登录后才可以回帖 登录 | 立即注册

本版积分规则

QQ|Archiver|手机版|小黑屋|宜信同城网交流论坛 ( 闽ICP备19021048号 )|站点地图

GMT+8, 2026-3-27 20:03 , Processed in 0.150327 second(s), 17 queries , Redis On.

Powered by Discuz! X3.4

Copyright © 2001-2020, Tencent Cloud.

快速回复 返回顶部 返回列表