宜信同城网交流论坛

 找回密码
 立即注册
开启左侧

这篇文章,康康教你如何选择摄像机护罩

[复制链接]
发表于 2023-2-19 17:48:14 | 显示全部楼层 |阅读模式 来自 LAN
05767759523d8eb9f05cea802e758019.png
9728d22358f5260a0af2ddebd6811bbe.png

关于枪机护罩,想必大家都不陌生

那么怎么看懂官网关于护罩的各项参数?

关于选型有哪些注意事项?

护罩如何与摄像机接线?

别着急,往下看


护罩
265af7065e6da67bbbcb2b90f7dab7d4.png
6e80066580c20e2d58bf9a8ad8b9f093.png
▶▶▶▶▶
b4a1209deb6d264969d359ff65e6c49d.png
f7cda3b8899d9a80a22417ef4c42699b.png
ade253b8c67feb99abaf223988c123c9.png
护罩的作用及分类
0674b8b85ffb9a82936bd3e2ba19c028.png
22eba6c066c4a480c47f921aa9d0b942.png
cb9b9c5e6429302a4205d05f7c6e376b.png


护罩主要用于保护枪机,防止外界水汽、尘土等的干扰影响,主要可以分为室内护罩、室外护罩两

室内护罩:一般材质为塑料或铝合金,IP66防护等级,无风扇,目前室内护罩有DS-1330HZ和DS-1332HZ两款

室外护罩:均带风扇,依据不同特性,还可以分为带雨刷(-W)、加热(-H)、制冷(-R)等不同型号

55f7852f1a3274198788c161310f0f94.jpg



968acb35a6b6afb743a82bcb130d058d.png
3d397eec805cdfc4ec406f6b7f2e131d.png
e24a62b4e4b68cff0b334592059e95a8.png
护罩常见参数
428d1f9d69452ad99e45053a85ba2a50.png
a8786004b0422ee0d27b549d295c39ac.png
c698c35097a6f2f91da06e05410ac259.png


以室外护罩DS-1331HZ-HW为例

bcbb85f25940df5afe32de8a7dc054f5.jpg

那么如何看待这些参数呢?别着急,往下看

4161346a2fe20d40c70867fcc36652a2.gif

自动温控范围:关注加热/风扇模块开启的条件

电源/功耗:包含加热、风扇、雨刷模块,必须采用满足最大功耗的电源

材料:镜头前部玻璃材质不同则成像效果有区别

尺寸:尺寸不匹配可能导致摄像机无法安装


6ecce5a876d1e3d4d8f47c8c02b50aea.png
af4667243dc679b2b5032ec3ada563db.png
da887e7349d24218df61387f5427e20e.png
护罩选型注意事项
0d878c6840a4819314be2d7826a8ea82.png
cd520a3e7b89f241639d308b31041b47.png
1befbc17ae58addbc83255a943c14b3d.png


  • 安装环境,室内还是室外

  • 护罩功能(风扇、雨刷、加热器、制冷器)

  • 护罩内部空间(要求满足摄像机、镜头整理所占空间)

  • 护罩供电电压选择(AC24V/DC12V)

  • 特殊功能需求(内置适配器、内置WIFI)

  • 匹配支架(支架长度>护罩一半长度)


fbda7af1ec12c057b8d8f703a6b69765.png
8b88c1e2c236fdc340604290ffcecb5c.png
2fc27bc7ad006ed5d0f407576402907d.png
护罩接线配置
7510bd7ee1638cde2f29394e39633535.png
c869f503bb1a785c9d0fa73007f04d57.png
e21064725bbc0691c55aa6e29758e10b.png


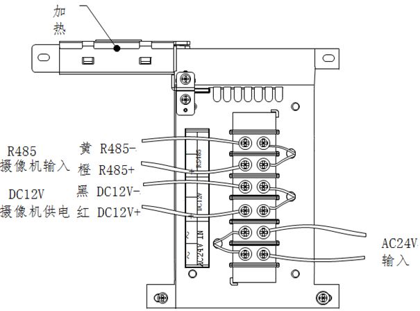
DS-1331HZ系列

配置:默认波特率9600、协议Pelco-D、地址位0,不可更改;另外,若摄像机具有ABF功能,则需将其关闭才可以控雨刷

接线:参考下图

d445b56373f699b2a97e80d2810d5e9d.jpg

1e4a54fea26ecc8166ebb928bef65918.gif
6aa41392205264c1bd0d4cc49553f28b.png



海康云商

251289667fa59889620b2e78360dbf82.jpg
703b3fd9c60ce39dd57afec7260746b3.png

长按识别二维码下载


宜信网交流论坛 - 版权声明 1、在发表言论时,请遵守当地法律法规。主题所有言论纯属个人意见,与本站立场无关。
2、本站所有主题由作者发表,作者享有帖子相关版权,其他单位或个人使用、转载或引用本文时必须征得作者同意并注明来源于宜信网
3、如本帖侵犯到任何版权问题,请立即告知本站,本站将及时予与删除并致以最深的歉意。
4、帖子不遵守当地法律法规、广告、人身攻击等情况时,宜信网管理人员有权不事先通知发贴者而删除本文。
您需要登录后才可以回帖 登录 | 立即注册

本版积分规则

QQ|Archiver|手机版|小黑屋|宜信同城网交流论坛 ( 闽ICP备19021048号 )|站点地图

GMT+8, 2026-3-27 14:26 , Processed in 0.138978 second(s), 15 queries , Redis On.

Powered by Discuz! X3.4

Copyright © 2001-2020, Tencent Cloud.

快速回复 返回顶部 返回列表