宜信同城网交流论坛

 找回密码
 立即注册
开启左侧

【安装篇】智能锁安装指导

[复制链接]
发表于 2023-2-19 17:49:59 | 显示全部楼层 |阅读模式 来自 LAN

如此好用的指纹锁又是如何安装的呢?


1

确定门的基本信息

材 质

木门?钢木门?防盗门?铜门?

开门方向

左内开?右内开?左外开?右外开?

裁口形状

无裁口问题?

有裁口问题?裁口距离?

天 地 钩

有天地钩?无天地钩?

门 厚

需测量多个尺寸

至于安装,完全不用操心,可以联系专业的安装商上门服务,轻松解决所有问题。

当然,如果你是技术控,那就参考以下安装步骤自己动手吧,让妹子们妥妥地仰视你!

2

安装前准备

①确认安装工具(*请根据门的材质选取)

d06449d4d07fc5989f256a261285b33b.jpg

②确认产品各部件 (*请根据不同门厚参照配件表选取)

980cd1d0815d2e84fdc63a86d9ab499c.jpg

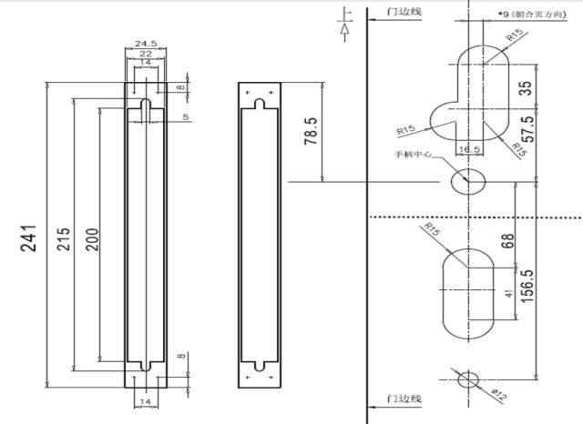
③参照孔位图对门进行开孔

bca1f25b9f8a539fd7813abca6543241.jpg

3

开始安装

安装步骤:

1.安装锁体、锁头

2.安装前面板、后面板

3.调试

4.门框开孔,安装边条

5.完成安装

详细安装步骤通过视频手把手教给你!



(建议在Wi-Fi环境下进行观看)


c44ddfc519fac202fa0f07bf838d495e.jpg

扫码下载海康经销APP哦


宜信网交流论坛 - 版权声明 1、在发表言论时,请遵守当地法律法规。主题所有言论纯属个人意见,与本站立场无关。
2、本站所有主题由作者发表,作者享有帖子相关版权,其他单位或个人使用、转载或引用本文时必须征得作者同意并注明来源于宜信网
3、如本帖侵犯到任何版权问题,请立即告知本站,本站将及时予与删除并致以最深的歉意。
4、帖子不遵守当地法律法规、广告、人身攻击等情况时,宜信网管理人员有权不事先通知发贴者而删除本文。
您需要登录后才可以回帖 登录 | 立即注册

本版积分规则

QQ|Archiver|手机版|小黑屋|宜信同城网交流论坛 ( 闽ICP备19021048号 )|站点地图

GMT+8, 2026-3-27 11:31 , Processed in 0.146012 second(s), 15 queries , Redis On.

Powered by Discuz! X3.4

Copyright © 2001-2020, Tencent Cloud.

快速回复 返回顶部 返回列表